- Home
- ELTIM products catalogs & info bulletins
- ELTIM Power Supply modules
- ELTIM Switching convertor/regulator modules
ELTIM Switching convertor/regulator modules
VR-modules,switching converters/regulators
|
|
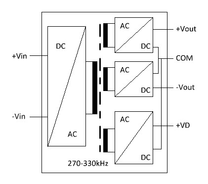
With the following Voltage converter/regulator modules you can convert about any single or symmetrical voltage
into a single or symmetrical, regulated supply voltage as known in the low voltage electronics, so 3,3V; 5V; 12V; 15V.
The 30W versions are also available with 3,3V or 5V for digital circuits AND symmetrical ±5V, ±12V or ±15V.
![]() As by now expected from us, we only use high quality shielded convertor/regulator modules of XP-Power,
all using an extremely high switching frequency (less audio interference).
Now use about any supply voltage for feeding f.e. your preamplifier electronics
in combination with f.e. a single supply voltage. Efficiency is high: 85-90% .
All these modules are available with a header connector for mounting on most of our Power Supplies.
They are also available with screw connectors for use elsewhere. Same PCB, only different connector.
|
|
|
|
|
|
|
|
|
|
|
|
|
|
|
|
![]() ![]() |
|
![]() |
|
![]() |
|
Deutsch
Nederlands






